Acoplamento de Corrente

Simplicidade e flexibilidade na absorção de desalinhamentos.

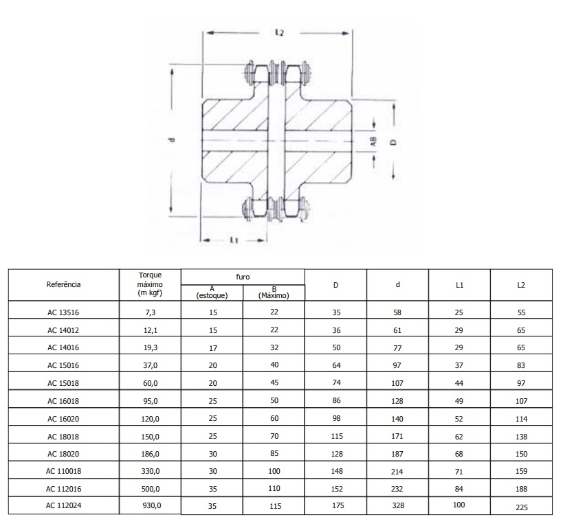
A Qualitrans oferece a linha de Acoplamentos de Corrente, uma solução mecânica reconhecida pela sua alta eficiência e construção prática. O conjunto é fundamentalmente composto por duas engrenagens e uma extensão de corrente de rolo dupla.
O grande diferencial construtivo deste tipo de acoplamento é a sua notável flexibilidade, que é obtida através da folga natural existente entre a corrente e os dentes das engrenagens. Essa característica permite que o sistema absorva de maneira eficaz os desalinhamentos paralelos e angulares que podem ocorrer entre os eixos do seu equipamento.

Disponibilizamos uma ampla variedade de referências, desde aplicações mais leves até as de alta exigência (modelos do AC 13516 ao robusto AC 112024):

• Capacidade de Furação: Suportam eixos com diâmetros máximos (Furo B) que variam de 22 mm até 115 mm, sendo fornecidos com furação de estoque (Furo A) a partir de 15 mm.
• Torque Máximo: A linha atende a uma ampla faixa de exigência de transmissão, operando com torques que vão de 7,3 m.kgf até 930,0 m.kgf.

Para verificar a tabela completa contendo todas as referências, diâmetros externos e medidas de comprimento de cada modelo, consulte a nossa Ficha Técnica.

Como podemos ajudar você?

Converse com nosso time de especialistas.